Pausch zonnekollektorvoeler FA
Deze zonnekollektorvoeler wordt op de zonnecollector gemonteerd.
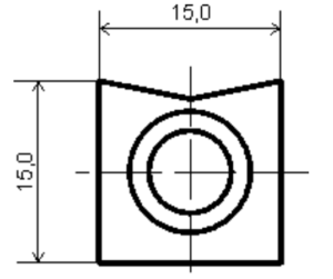
De Pausch zonnevoeler FA is een hoogwaardige opbouwtemperatuursensor, vervaardigd uit duurzaam aluminium.
Dankzij de V-vormige groef aan één zijde kan de voeler eenvoudig aan de buitenkant van een buis worden bevestigd.
Voor extra bevestigingsgemak beschikt de voeler over een voorgeboord gat, waarmee deze eenvoudig kan worden vastgeschroefd.
Deze zonnevoeler is ideaal voor gebruik in zonne-energiesystemen en zorgt voor nauwkeurige temperatuurmetingen, wat bijdraagt aan de efficiënte werking van uw systeem.

Pausch zonnekollektorvoeler FA
